Jump to content

AH-1G gattling gun magazine references?


Recommended Posts

Hi everyone,

 

I'm gathering photo references (walk-around images) in preparation for a 1/32 scale build of an AH-1G.   I've hit a hurdle because I can't find any decent images of the cylindrical magazine these aircraft carried beneath the cockpit.   Does anyone have any images they'd be willing to post for all of us to share?   Also, given the apparent popularity of these kits, I'm surprised at the lack of aftermarket decals that are available.   I know Floyd Werner intends to release some decals but I have no idea what specific machines he has in mind.   I'm also aware that Art Scale Decals offer a few sheets but (perhaps I'm being too choosy) none of them really appeal to me.   Are there any other decals available in this scale?   FWIW, I'd really like to build 'The Crystal Ship'.   Thanks in advance.

 

Kind regards,

  

Wayne

Melbourne, Australia 

Link to post
Share on other sites
8 hours ago, Grissom said:

Hi everyone,

 

I'm gathering photo references (walk-around images) in preparation for a 1/32 scale build of an AH-1G.   I've hit a hurdle because I can't find any decent images of the cylindrical magazine these aircraft carried beneath the cockpit.   Does anyone have any images they'd be willing to post for all of us to share?   Also, given the apparent popularity of these kits, I'm surprised at the lack of aftermarket decals that are available.   I know Floyd Werner intends to release some decals but I have no idea what specific machines he has in mind.   I'm also aware that Art Scale Decals offer a few sheets but (perhaps I'm being too choosy) none of them really appeal to me.   Are there any other decals available in this scale?   FWIW, I'd really like to build 'The Crystal Ship'.   Thanks in advance.

 

Kind regards,

  

Wayne

Melbourne, Australia 

If this helps:

YuXlz9e.jpg

 

I used ASK decals on my current build, if you are interested, it's over on LSP Vietnamese Snake - Works in Progress - Large Scale Planes

 

I strongly recommended you go with the Special Hobby version of the kit.   It's got a boatload of 3D printed and resin parts that really address the deficiencies of the ICM kit. 

 

As far as other decals, Werne's Wings seems to have decided to hold off on releasing their 32nd Cobra decals and are just doing 48th for now.   To the best of my  knowledge, ASK decals are the only readily available decals out there for the 32nd AH-1G. 

 

Good luck. 

Link to post
Share on other sites

Hi John?,

 

Thanks for your reply and the image.   I'm actually looking for detailed photos of the gun's magazine that is located directly beneath the crew compartment, not the gun itself.  

 

I am also an LSP member and have been following your online build, which is excellent.   I see you feel the same way I do about the limited marking options (decals) that are available for these kits.   If true, it's a shame that Floyd has chosen not to offer 1/32 decal options on his sheet(s).

 

Cheers,

Wayne  

Link to post
Share on other sites
15 hours ago, Grissom said:

I know Floyd Werner intends to release some decals but I have no idea what specific machines he has in mind.   I'm also aware that Art Scale Decals offer a few sheets but (perhaps I'm being too choosy) none of them really appeal to me.   Are there any other decals available in this scale?   FWIW, I'd really like to build 'The Crystal Ship'.   

First 1/48 and see how they sell.  I believe I did include Crystal Ship.  1/48 are about five weeks out

Floyd

Link to post
Share on other sites

Thanks for your prompt replies, guys!   Firstly, thank you HeavyArty for the helpful images you have posted.   As good as they are, however, it's close-up photos that I'm seeking the most.  Aren't there any magazine drums (or whatever you call them) sitting or displayed in a museum somewhere?   Floyd, thank you for also chiming in.  I'm so glad to hear that 'The Crystal Ship' has found its way onto one of your decal sheets - here's hoping that sells well enough to result in a 1/32 offering.

 

Cheers,

Wayne

Link to post
Share on other sites

Wow!   Thank you Snake36bravo, that's exactly what I was looking for.   Hmmm... got to admit, I wasn't expecting such a complex surface texture on the magazine.   Now you've got me wondering how to replicate that detail.

 

Cheers,

 

Wayne 

Link to post
Share on other sites
2 hours ago, Grissom said:

Wow!   Thank you Snake36bravo, that's exactly what I was looking for.   Hmmm... got to admit, I wasn't expecting such a complex surface texture on the magazine.   Now you've got me wondering how to replicate that detail.

 

Cheers,

 

Wayne 

 

You're welcome. I should've said the box drum side not versus. Age is working against me these days.

 

At least for Vietnam era AH-1Gs the box fed the M134 minigun with 7.62 and the round textured drum was for 40mm grenade launcher and they sat side by side one another in the ammunition bay.

2081982366_XM28armamentsystemAH-1G.jpg.1051255772eb75a257d72c6be5bfed44.jpg

 

 

Here is a round style drum for nose turret mounted M134. I dont know if this predates the ammunition box or replaced it. 

 

drum.thumb.jpeg.7029ba3384d73de86b7a7ae466d326c4.jpeg

drum-4.thumb.jpeg.1b38c2c11d4a34eb60132d768a838061.jpeg

drum-5-600x800.thumb.jpeg.0a086ad1cfdc50ed78c9eac89e2bd87e.jpeg

drum-2-600x800.thumb.jpeg.12da527ee2d7c7e3b44824b8f8a31779.jpeg

drum-3-600x800.thumb.jpeg.a0a4585ad12663962844264cea8fadb3.jpeg

 

Link to post
Share on other sites

Wow!!!  (Again.)  Thank you for the additional photos and for clarifying that the cylindrical magazine only contained the ammunition for the 40mm grenade launcher.   This 'conversation' is an excellent example of how forums like this assist (and educate) the broader modelling audience.   Thank you, once again.

 

Cheers,


Wayne. 🙂 

Link to post
Share on other sites
On 4/7/2023 at 12:16 PM, Grissom said:

Wow!!!  (Again.)  Thank you for the additional photos and for clarifying that the cylindrical magazine only contained the ammunition for the 40mm grenade launcher.   This 'conversation' is an excellent example of how forums like this assist (and educate) the broader modelling audience.   Thank you, once again.

 

Cheers,


Wayne. 🙂 


Following shots are of the YAH-1S (Mod) AKA "Mod-S", 70-16055, taken at Fort Hood around April 1975 or so.   It was a fly off between (I seem to recall) an AH-1Q and a "brand new" YAH-1S upgraded likely from an AH-1G.  As you can see the circular ammo can is on the right, but the 40mm "Chuker" is on the left...

 

Or at least I think this is a Q, if I can read the really grainy shot... And also pre "Aircraft Green" CARC (Chemical Agent Resistant Coatings) days.  CARC also had an IR reduction capability, that really screwed with camera meters...

 

Back in the "good old days" when the AH-1's flew with fairings.  Those got pulled about a year to 18 months later after an AH-1G did an Auto landing and one side of the skid cross tubes gave way.  After that they fairings were removed and the birds always did non-standards with 19 shot rocket pods on the outer wing stations.

 

I was flying the RC high bird, a UH-1H with fire suppression gear and a firefighter & medic.  Little did I know Ray Wilhite was literally on the other side of the bird as I photographed it.  We would finally meet up some 47 years later!

 

Bryan

YAH-1S-Prod__70-16055_AH-1S-AH-1R_OFCON_Test_1975_BryanWiblurnSM.jpg

YAH-1S-Prod__70-16055_TSU_AH-1S-AH-1R_OFCON_Test_1975_BryanWiblurn_SM.jpg

YAH-1Q_68-15132_SerBlock_OFCON_Test_1975_BryanWiblurn_Sm.jpg

YAH-1Q_68-15132_AH-1S-OFCON_Test_1975_BryanWiblurnSM.jpg

Link to post
Share on other sites
On 4/7/2023 at 12:16 PM, Grissom said:

Wow!!!  (Again.)  Thank you for the additional photos and for clarifying that the cylindrical magazine only contained the ammunition for the 40mm grenade launcher.   This 'conversation' is an excellent example of how forums like this assist (and educate) the broader modelling audience.   Thank you, once again.

 

Cheers,


Wayne. 🙂 

At some point they switched from the box to circular magazine.  In the shots I posted there is a round mag on the RH side, the side the minigun is on.  The shots I posted above are from the 1975 time frame.  So they at least switched by then.  It might have been only the early AH-1G's had the box.  So likely late/Post Viet Nam was "cans".

 

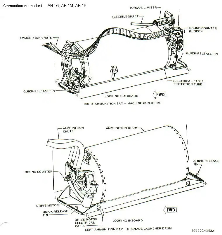
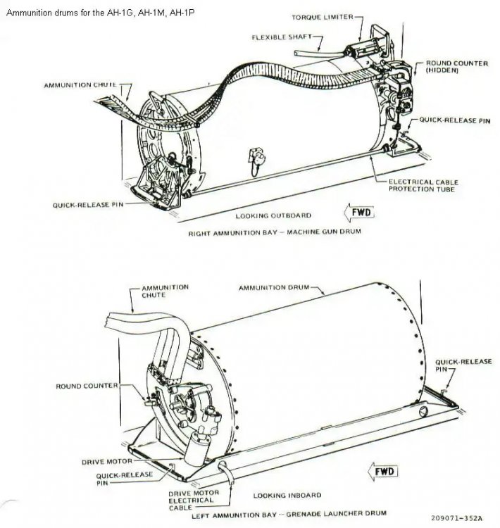
In the scans below both the 40mm and 7.62 mags were "cans".  These are scans out of a doc I got when I went through AMOC in 1980/1981.  While I went through on the OH-58 track, we learned background stuff on all the birds.  These scans are from the booklet they handed out on the weapons used by the birds at that time.

 

First shot is of the 7.62 can, shot from the RH side of the bird.  Second shot is the 40mm can, and the electrical connecters seen in the shot I posted of the AH-1S MOD.

 

Third shot is of the circular 7.62 can details.

 

Forth & fifth shots are from the XM192 manual, who doesn't love a 20 bird...

AH-1_40mm_Ammo_Mag.jpg

AH-1_40mm_AmmoBay_fittings.jpg

AH-1_Ammo_Mags.jpg

AH-1_20mm.jpg

AH-1_20mm-partsID.jpg

Link to post
Share on other sites
On 4/4/2023 at 1:40 PM, Floyd S. Werner, Jr. said:

First 1/48 and see how they sell.  I believe I did include Crystal Ship.  1/48 are about five weeks out

Floyd

Hey Floyd, just bounced some texts back and forth with Hugh, he seems to recall the switch over point box to can for the 7.62 was the AH-1Q.  In '75 the AH-1S MOD birds had the cans.  But like everything else with the early AH-1/Q/S details, that goes back 48 years....

 

Bryan

Link to post
Share on other sites
6 hours ago, BWDenver said:

Hey Floyd, just bounced some texts back and forth with Hugh, he seems to recall the switch over point box to can for the 7.62 was the AH-1Q.  In '75 the AH-1S MOD birds had the cans.  But like everything else with the early AH-1/Q/S details, that goes back 48 years....

I can't remember what we had in the AH-1P.  I don't remember boxes though.  Again that was in 1988-91 timeframe.

Floyd

Link to post
Share on other sites
On 4/13/2023 at 4:05 PM, Floyd S. Werner, Jr. said:

I can't remember what we had in the AH-1P.  I don't remember boxes though.  Again that was in 1988-91 timeframe.

Floyd

The shot I posted was a MOD, so it's a good bet you had drums.  Maybe never know what drove the change, maybe interchangeability on parts?

 

Bryan

Link to post
Share on other sites

Join the conversation

You can post now and register later. If you have an account, sign in now to post with your account.

Guest
Reply to this topic...

×   Pasted as rich text.   Paste as plain text instead

  Only 75 emoji are allowed.

×   Your link has been automatically embedded.   Display as a link instead

×   Your previous content has been restored.   Clear editor

×   You cannot paste images directly. Upload or insert images from URL.

×
×
  • Create New...